01
RF High Pass Filters-Size, Connector Type, Material, Frequency Range Can Be Customised
Characteristics and Application
Our high pass filters cover a wide frequency range and are able to clearly differentiate between low and high frequencies in a signal. The passband flat stopband efficiently blocks unwanted low frequency signals to improve signal purity and signal-to-noise ratio. Small in size, light in weight and easy to install, XST offers flexible high pass filter customisation options in the 100MHz-40GHz frequency range to meet individual customer requirements.
Product Principle

Technical Index
| Model | Freq.Range | Insertion loss | VSWR | Stopband rejection | Conn.Type | Material | Appearance | Dimension |
| HPF1-4GSN | 1-4GHz | 1.2dB | 2 | ≥50dB@DC-0.8GHz | SMA-K | Copper/Aluminum | Black paint | 70*50*15mm |
| HPF1-3GSN | 1-3GHz | 1.5dB | 1.5 | ≥50dB@DC-0.866 | SMA-K | Copper/Aluminum | Black paint | 73*60*12mm |
| HPF2-4GSN | 2-4GHz | 0.7d8 | 1.4 | ≥50dB@DC-1.56GHz | SMA-K | Copper/Aluminum | Black paint | 198*51*34mm |
| HPF2.4-6GSN | 2.4-6GHz | 1dB | 1.4 | ≥50dB@DC-1.96GHz | SMA-K | Copper/Aluminum | Black paint | 128*30*26mm |
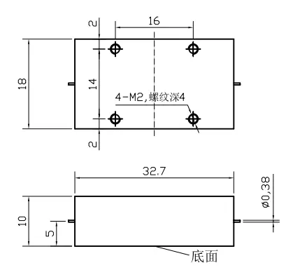
| HPF2/6GSB | 2-6GHz | 0.5d8 | 1.3 | ≥35dB@DC-1.75GHz | 0.38Glass bead | Copper/Aluminum | Black paint | 33*18*10mm |
| HPF2-12GSN | 2-12GHz | 1dB | 1.8 | ≥45dB@DC-1.52 | SMA-K | Copper/Aluminum | Black paint | 80*60*30mm |
| HPF3.1-10.6GSN | 3.1-10.6GHz | 0.8 | 1.8 | ≥50dB@DC-1.13GHz | SMA-K | Copper/Aluminum | Black paint | 92*30*14mm |
| HPF3-13GSN | 3-13GHz | 3dB | 2 | ≥65dB@DC-2.5GHz | SMA-K | Copper/Aluminum | Black paint | 340*30*25mm |
| HPF3-18GSN | 3-18GHz | 2dB | 2 | ≥20dB@DC-2GHz | SMA-K | Copper/Aluminum | Black paint | 107*27*16mm |
| HPF4-18GSN | 4-18GHz | 2.5dB | 2 | ≥35dB@DC-3GHz | SMA-K | Copper/Aluminum | Black paint | 280*38*21mm |
| HPF2.5-18GSN | 2.5-18GHz | 3dB | 2 | ≥40dB@0.56-2.2GHz | SMA-K | Copper/Aluminum | Black paint | 380*35*30mm |
| HPF18-40GKN | 18-40GHz | 1.2dB | 2 | ≥35dB@DC-17.5GHz | 2.92mm-K | Copper/Aluminum | Black paint | 80*20*15mm |
Nots
Company Profile
XST, a leader in the field of microwave components, specialises in creating top quality high pass filters. We are proud to offer a wide range of products that are not only of exceptional quality, but also highly customisable, designed to meet the individual needs of different customers. Combined with our highly competitive factory direct pricing, the XST factory has become a trusted supplier of choice for many of our industry partners and continues to lead the market.
Quality Control
We adhere to the highest standards of high-pass filter quality and incorporate a sophisticated quality control system into every step of production to ensure that the finished product exceeds industry norms. Each high-pass filter is subjected to rigorous testing to prove its peak performance, accurate frequency screening and zero loss in signal transmission. With this dedication to quality, we promise our customers that our high pass filters will consistently deliver exceptional performance, isolate redundant low frequencies, and ensure clean and unobstructed signal transmission.
Affordable
As a leading manufacturer of microwave components, we are the source of production and lead the market with unrivalled factory direct pricing. With efficient manufacturing processes and sophisticated cost control strategies, we offer the perfect combination of high quality filters at an affordable price. Our pricing philosophy is designed to maximise value for our customers, making it easy for each of our partners to own top technology products within their budgets and enjoy a return on investment that exceeds expectations.
Customer Support
Our technical support team consists of a group of highly skilled and experienced professionals who are always ready to help our customers in all aspects. Whether it is in product selection, technical guidance or after-sales service, our team is always committed to providing timely and effective support to ensure that our customers enjoy a smooth experience every step of the way. We understand that quality customer service is the key to success, so we listen carefully to our customers' needs, respond quickly to their inquiries, and help them solve a variety of problems. With our professional support, customers can use our products with greater confidence and drive their projects forward smoothly.
Send your request and experience unrivalled quality service.

