01
2195MHz -2205MHz Bandpass Filters/Cavity Bandpass Filters
Characteristics and Application
Our bandpass filters are able to precisely define the frequency ranges of the passband and the stopband, ensuring that signals within the passband frequency pass through without loss and that signals in the stopband frequency are effectively suppressed. Between the passband and the stopband, a steep roll-off characteristic reduces distortion at the edges of the passband and signal leakage in the stopband, which gives our bandpass filters excellent signal processing capability.
Product Principle

Technical Index
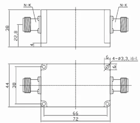
| Model | Freq.Range | Insertion loss | VSWR | Stopband rejection | Stopband rejection | Conn.Type | Material | Appearance | Dimension |
| BPF1.6GSN | 1.4-1.8GHz | 0.3dB | 1.3 | ≥20dB@DC-0.3GHz | ≥20dB@3-4GHz | N-K | Copper/Aluminum | /* | 72*45*38mm |
| BPF2.45GSN | 2.4-2.5GHz | 0.5dB | 1.2 | ≥50dB@DC-2.312GHz | ≥50dB@2.582-6GHz | SMA-K | Copper/Aluminum | Black paint | 71*42*29mm |
| BPF3.96GWN | 3.7-4.2GHz | 1dB | 1.5 | ≥60dB@DC-3.2GHz | ≥65dB@4.4-7GHz | BJ8B4flange | Copper/Aluminum | Black paint | 1457100*70mm |
| BPF6.85GSN | 3.1-10.6GHz | 1dB | 2 | ≥45dB@DC-1GHz | ≥40dB1-2GHz | SMA-K | Copper/Aluminum | Black paint | 1457100*70mm |
| BPF8.205GWN | 7.91-8.5GHz | 0.3dB | 1.2 | ≥60dB@DC-7.348 | ≥60dB@9.252-18GHz | BJ84flange | Copper/Aluminum | Black paint | 106*46*35mm |
| BPF11.725GWN | 10.7-12.75 | 0.5dB | 1.5 | >25dB@DC-9.59GHz | ≥25dB@14-18GHz | BJ12flange | Copper/Aluminum | Black paint | 75*38*38mm |
| BPF15GSN | 12-18GHz | 1dB | 1.2 | ≥60dB@DC-8.2GHz | ≥60dB@20.8-26.5GHz | SMA-K | Copper/Aluminum | Black paint | 68*17*11mm |
| BPF22.25GKM | 18-26.5GHz | 1dB | 1.5 | ≥60dB@DC-15.15GHz | ≥60dB@29.85-33GHz | 1.8mm Pin | Copper/Aluminum | Black paint | 39*18*12mm |
| BPF20.5GKM | 18-23GHz | 1dB | 1.5 | ≥55dB@DC-17GHz | ≥55dB@25-26GHz | 0.38mm Pin | Copper | Black paint | 67*14.2*12.2mm |
| BPF20.7GKN | 20.2-21.2GHz | 1dB | 1.5 | ≥80dB@DC-19.6GHz | 2.92mm-K | Copper/Aluminum | Black paint | 68*14*10mm | |
| BPF20GKN | 19.6-21.2GHz | 1dB | 1.5 | ≥60dB@DC-18GHz | ≥60dB@22.8-26.5GHz | 2.92mm-K | Copper/Aluminum | Black paint | 80*20*15mmm |
| BPF23.5GKM | 21-26GHz | 1dB | 1.5 | ≥55dB@DC-20GHz | 0.38mm Pin | Copper | Black paint | 53*13*11mm | |
| BPF33.25GKM | 26.5-40GHz | 1.1dB | 2 | ≥60dB@DC-24.5GHz | 0.38mm Pin | Copper | Black paint | 50*14*12mmm | |
| BPF29.25GKN | 27.42-31.08GHz | 2dB | 1.5 | ≥60dB@27.1GHz | ≥30dB@31.5-40GHz | 2.92mm-K | Copper | gold-plated | 36*12*7mm |
| BPF38GWN | 36-40GHz | 1dB | 1.3 | ≥60dB@DC-34.1GHz | ≥60dB@42GHz | BJ32flange | Copper | gold-plated | 49*24*20mm |
| BPF44.5GWN | 43.5-45.5GHz | 2dB | 2 | ≥60dB@42.8GHz | ≥60dB@46.2 | BJ40flange | Copper | gold-plated | 71*13*9mm |
Nots
Excellent performance
XST's bandpass filters feature superior frequency selectivity, low distortion and low noise characteristics, stability and reliability, flexibility and adaptability, and ease of implementation and maintenance. Together, these features form the cornerstone of high-performance bandpass filters, enabling them to play an important role in a variety of signal processing applications.
Strict quality control
Quality creates brilliance, commitment is more important than Mt. Tai, we are committed to quality and the stability and durability of our filters. Our filters are designed and manufactured using high-quality components and materials and through a strict quality control process to ensure that each filter undergoes rigorous testing and inspection procedures before shipment to ensure optimal performance, reliability and durability. Our bandpass filters are designed and manufactured with environmental considerations and protective measures in mind, enabling our products to maintain stable performance even in extreme environments.
XST's bandpass filters have earned a reputation for superior performance in the industry.
Superb price/performance ratio
Excellent quality is our unswerving pursuit, but we also know that cost-effective is the ideal choice for customers. Therefore, while ensuring the quality and performance of our filters, we reduce costs through direct supply of raw materials, large-scale procurement, optimisation of production processes, improved production efficiency, reduced inventory, and reduced waste. This makes our filters stand out among similar products in the industry, and the ultra-high cost performance is the unanimous evaluation of our filters by our customers.
Wide range of customisation options
XST bandpass filters offer a wide range of bandwidth customisation options, allowing the centre frequency to be adjusted as required to meet the needs of different application scenarios.
XST offers a wide range of filter types and configurations, such as cavity filters, waveguide filters, microstrip line filters, LC filters, and more. Different types of filters have their own unique features and advantages and can be tailored to meet specific needs.
Send in your requirements and experience the accuracy and reliability of XST bandpass filters and we will live up to your expectations.

