01
16GHz-38GHz Spot Frequency Filters - Fast Switching Of Operating Frequency And Suppression Of Interfering Signals
Characteristics and Application
Point frequency filters are designed for one or several specific frequency signals, and can significantly enhance the signals in that frequency band while suppressing the signals at other frequencies.
XST's point-frequency filters play an important role in the field of signal processing due to their high accuracy, high signal-to-noise ratio, flexibility, and wide range of applications.
Product Principle

Technical Index
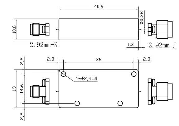
| Model | Freq.Range | Insertion loss | VSWR | Stopband rejection | Stopband rejection | Conn.Type | Material | Appearance | Dimension |
| BPF-1680/1720-38P | 16.8-17.2GHz | 1.5 | 1.5 | ≥40dB@16.4GHz | ≥40dB@17.6GHz | 0.38Glass bead | copper | Black paint | 44*22*22 |
| BPF-1880/1920-38P | 18.8-19.2GHz | 1.5 | 1.5 | ≥40dB@18.4GHz | ≥40dB@19.6GHz | 0.38Glass bead | copper | Black paint | 44*22*22 |
| BPF-2080/2120-38P | 20.8-21.2GHz | 1.5 | 1.5 | ≥40dB@20.4GHz | ≥40dB@21.6GHz | 0.38Glass bead | copper | Black paint | 44*22*22 |
| BPF-2280/2320-38P | 22.8-23.2GHz | 1.5 | 1.5 | ≥40dB@22.4GHz | ≥40dB@23.6GHz | 0.38Glass bead | copper | Black paint | 44*22*22 |
| BPF-3080/3120-38P | 30.8-31.2GHz | 1.5 | 1.5 | ≥40dB@30.4GHz | ≥40dB@31.6GHz | 0.38Glass bead | copper | Black paint | 44*22*22 |
| BPF-3280/3320-38P | 32.8-33.2GHz | 1.5 | 1.5 | ≥40dB@32.4GHz | ≥40dB@33.6GHz | 0.38Glass bead | copper | Black paint | 44*22*22 |
| BPF-3480/3520-38P | 34.8-35.2GHz | 1.5 | 1.5 | ≥40dB@34.4GHz | ≥40dB@35.6GHz | 0.38Glass bead | copper | Black paint | 44*22*22 |
| BPF-3680/3720-38P | 36.8-37.2GHz | 1.5 | 1.5 | ≥40dB@36.4GHz | ≥40dB@37.6GHz | 0.38Glass bead | copper | Black paint | 44*22*22 |
Nots
XST Advantage
XST, as a leading manufacturer of microwave components, we specialise in top-of-the-line filters, especially precision spot-frequency filters from 16-38GHz. In our pursuit of excellence, we customise our products to meet exacting specifications and respond quickly to our customers' unique design needs. With competitive ex-factory pricing, flexible sample support and professional after-sales service, we are committed to creating exceptional value and a worry-free experience for our customers.
Stable and Reliable Performance
With precise frequency selectivity, extremely low insertion loss in the passband, and remarkable rejection capability in the non-passband, our point filters maintain consistent performance characteristics under a variety of environmental conditions (temperature, humidity, electromagnetic interference, etc.), ensuring stable and reliable long-term system operation.
Flexible Customisation
XST is able to customise the design of point frequency filters according to the specific needs of customers, including the optimisation of parameters such as frequency range, bandwidth, insertion loss, out-of-band rejection, etc., as well as the customisation of special requirements such as dimensions, weight, and environmental adaptability, in order to satisfy different application scenarios and to create point frequency filters that are fully compliant with the needs.
Customer Support
Our technical team, elite and experienced, is on standby around the clock to provide comprehensive technical support for every customer. From product selection to technical guidance, to after-sales service, we strive to respond quickly and accurately answer questions to ensure that the customer experience is worry-free. We know the importance of service, listening to customers, instant problem solving, and help the project progress smoothly. Professional escort, achievement of win-win future.
Please feel free to contact us, we look forward to being your partner for life.

